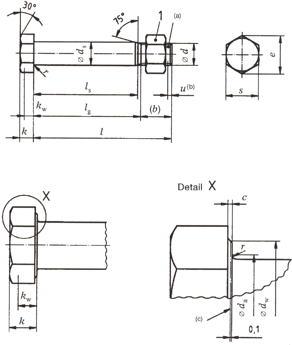
DIN 7968

Hexagon fit bolts for structural steel bolting, for supply with hexagon nuts
Relevant suppliers

Tell me what you see in "Golden Spider" and will give you a discount

Shanghai G&T Industry Co., Ltd
1.Bolt:Carriage bolt,Hex bolt, Socket head bolt,Flange bolt; 2.Threaded Rod:Full threaded rod,Stud bolt, Double end stud bolt; 3.Nut:Hex nut,Flange nut,Heavy hex nut,Square nut, Tee nut, Wing nut; 4.Screw:Self-drilling screw,Self-tapping screw, Wooden screw, Machine screw; 5.Washer:Flat washer, Spring washer, Square washer, Lock washer; 6.Machining part:Castings,Forgings,Turning,Milling,Stamping Die Casting Parts; 7.Customized products based on drawings.
Country/Region:China Tel: +86-13761105129
DanTu NO1 FASTENER CO.,LTD
Country/Region:CHINA Tel: None
Shanghai Lingrui Fasteners Co., Ltd
We produce various kinds of high strength bolts, nuts and washers. The assembly products include GB30 hexagon bolts, holding down bolts, master screws and various kinds of washers, nuts, and non-standard parts.
Country/Region:CHINA Tel: None
Haiyan Rongji Standard Fasteners Co., Ltd.
Wood Screws, Lag Bolts, Concrete Screws,Carriage Bolts, Hexagon Bolts, U-Bolt, Double End Bolt, Drywall Screws, Lifting Eye Bolts
Country/Region:China Tel: None
Nanjing Yuan Tuo Tech Co, Ltd
pin shafts, plug screw connectors, engineering bolts and nuts, and T-shaped bolts,automotivefasteners,standered fasteners,washers, ratchet buckles
Country/Region:China Tel: None
Shanghai Jiashang Fastener Co. Ltd.
Carbon steel products hex washer bolts, hex flange bolts, hex washer tri-lobular thread bolts , hex socket button head screws, socket countersunk head screws, 10.9 grade high strength bolts of SCM435 material ( standard: ISO7380,DIN7991) Stainless steel products 1. Machined screws Cup head hex socket screws, hex socket countersunk screws, pan head screws with cross recess,,countersunk head screws with cross recess,countersunk raised head screws,truss head screws with cross recess,hexagon head flange screws All the products are in accordance with ANSI, DIN, GB and ISO standards. 2. Tapping screws cross recessed pan head tapping screws, cross recessed countersunk flat head tapping screws, countersunk raised head screws with cross recess, slotted pan head tapping screws, slotted countersunk tapping screws, slotted raised countersunk tapping screws,, hex head tapping screws, cross recessed pan head tapping set screws, cross recessed countersunk flat head tapping set screws,, cross recessed raised countersunk flat head tapping set screws,, hex head tapping set screws,, hexagon lobular socket head cap screws-property, cross recessed tapping screws with cup head, cross recessed tapping screws with scrape head , Hexagon head tapping screws with shoulders, hexagon head flange tapping screws.
Country/Region:China Tel: None
Ningbo Yueli High-strength Fastener Manufacture Co., Ltd.
Hex bolts,Eyelet bolts,Double end studs
Country/Region:CHINA Tel: None
YONGNIAN COUNTY TIANBANG FASTENERS CO., Ltd.
Our main Products include: Bolt, nut, flat washer, spring washer, thread rod, anchor bolt, self drilling screw and so on. hex bolt 、anchor bolt 、hex nut
Country/Region:CHINA Tel: +86-18803303309
Taicang Jincheng Hui Machinery Co., Ltd.
Main products: imports of tungsten steel screw punch, punch rivet tungsten steel welding rods. Hexagonal and a variety of shapes.
Country/Region:China Tel: (86) 0512-53231618
ZHEJIANG CHAOBOER HARDWARE CO., LTD.
DIN/ASME/IFI/GB/AS Standard: Hex Bolt, Carriage Bolt, Hex Flange Bolt, Hex Socket Head Bolt, Bolt & Screw, and Non-Standard Bolts. Dia from M5 To M30(1/4" To1"), length: from 8mm To 300mm. 1. hex bolt2. carriage bolt3. hex flange bolt4. hex socket head bolt5. guardrail bolt6. heavy hex bolt7. square head bolt8. stamping9. hex nut10.coulping nut
Country/Region:China Tel: 86-573-86408568,86-573-86408168,86-573-86570788,86-573-86570782
經營許可證編號:粵B2-20210752號丨備案號:粵ICP備09029740號
粵公網安備 44011102001662號
技術支持:廣東金蜘蛛電腦網絡有限公司
Golden Spider Network Co., Ltd.